让我们得到关键(到质量)与注射成型部分设计2022世界杯足球赛时间表

发布于2021年5月24日Protolabs

突击测验时间到了。判断题:模制零件上每个特征的尺寸必须符合最严格的公差。答案是……假……通常。虽然模型总是以此为目标(作为制造商,我们也是如此),但事实是,通常只有某些功能对产品的功能至关重要。

如果你能指出对你的零件的功能非常重要的尺寸,同时潜在地加速制造和降低成本呢?这是我们制造流程背后的核心理念,可以让您在3D CAD模型中调用关键质量(CTQ)功能,从而确保您订购的零部件与您的模型一致。

更好的是,当你的制造商使用科学成型技术(我们做的),每一步2022世界杯足球赛时间表注塑工艺独立优化以最大化零件质量,然后数字化记录。这意味着下次您订购这些部件时,我们可以按照这些步骤来制造符合您的CTQ规格的一致部件。

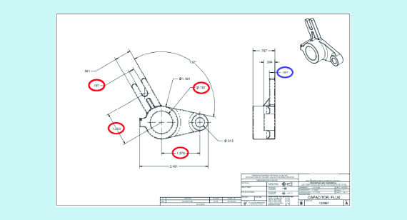
红色和蓝色圆圈表示特定的设计偏好
用红色圆圈表示部件设计中最关键的功能,用蓝色圆圈表示仅供参考的功能—对部件不那么重要,但仍需要标记的功能。

这里的想法是,如果零件质量和加速样品鉴定是您的首要考虑因素,CTQ可以让您提前说出您认为在您的零件中什么是最关键的,什么是次要的。

从那里,我们可以最仔细地关注你最关心的事情,找到新的方法来完成工作。让我们快速浏览一下这个过程。

提交你的设计

提交一份模型的打印件,用红圈标出最关键特征中的一到五个的尺寸和公差。

如果我们不能在不影响您的经验或交货期的情况下解决任何涉及公差的问题,我们将联系您,并让您知道其他可供选择的方案,以满足您的需求。

您还可以使用一个蓝色圆圈来表示仅供参考的特性—对您的部件不那么重要,但您仍然希望标记这些特性。

一如既往,我们将尽力满足功能的公差。然而,与红圈规格不同的是,如果我们不能精确地满足该特性的规格,我们将继续生产,而不是推迟订单。

第一篇文章检验
对于成型零件,我们将使用三坐标测量机(CMM)检查工具上的前三个孔,并向您提供第一件检验(FAI)报告,如上例所示。

回顾你的检查工作说明书

接下来,我们的应用工程团队将审查您的模型,并通过电子邮件发送一份工作检查声明(ISOW),让您知道您圈出的任何特性是否存在公差和可塑性问题。一旦我们发送ISOW,我们生产和检查您的订单在Protolabs的速度。如果对ISOW中的信息有任何疑问,请立即联系我们。联系我们的应用工程师877-479-3680,或发送电子邮件到(电子邮件保护)

查看最后部分报告

一旦我们完成了成型工艺开发,确保我们有一个一致的,可重复的过程来生产高质量的零件,我们将检查从工具,使用坐标测量机(CMM),并为您提供第一件检查(FAI)报告。

CTQ FAI将测量所有关键和参考尺寸。利用相同的CMM,我们将检查订单中的另外30个零件,并生成CTQ能力报告。

零件将以n/30的等距节奏进行测量,其中n =零件总订购数量。除了每个部分的测量数据,能力报告还将提供所有关键维度的平均测量、标准偏差和Cpk值。

CTQ的优点

CTQ的优势包括:

  • 在压力机的过程质量反馈,不影响交货时间
  • 通过消除内部测量来减少成本和时间
  • 接收尺寸报告以验证样品
  • 为当前和未来的迭代获得关键的设计和材料性能教训
  • 提高了零件的精度和尺寸符合客户指定的关键尺寸

最终,您需要在您的应用程序中有效工作的部分,并且您知道每个部分(如拼图块)如何适合该模式。让我们知道最重要的功能,确保您将快速恢复您的零件,并具有您期望的准确性和可靠性。